工作時間 周一至周六 8:00-17:00
LG-11功率方向繼電器 ,應用在方向保護中作為功率方向的判別元件,其中LG-11型用于相間短路保護, LG-12型用于接地短路保護 。
LG-11功率方向繼電器用途
LG-11功率方向繼電器 ,應用在方向保護中作為功率方向的判別元件,其中LG-11型用于相間短路保護, LG-12型用于接地短路保護 。
LG-11功率方向繼電器結構和原理
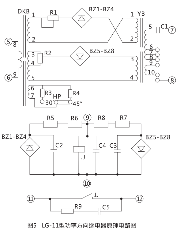
LG-11功率方向繼電器采用插件結構,同一機芯可使用于一般嵌入式A32K,繼電器的原理電路圖見圖5 .圖6 ;外形及安裝尺寸見圖7。


繼電器采用整流型原理構成,比較電流電壓綜合量的絕對值,其動作方式為:
對于LG-11型為丨IZ+K1U丨>丨IZ-K1U丨 (1)
對于LG-12型為丨IoZ+KoUo丨>丨IoZ- KoUo丨 (2)

K1為對于LG-11B中電壓回路變換系數, K2為LG-12B中電壓回路變換系數。

式( 3 )中α為DKB次級電壓對初級電流的轉移角度,式(4)中β為電壓轉換器的轉移角度,由于在LG-11B型中采用了諧振回路, 當電壓諧振時,角90°,而在LG-12B中電壓回路采用變壓器 ,故無角度變化,即K0為變壓器的變化。
式( 1 )式( 2 )中前面一項稱為工作電壓 ,后面一項稱為制動電壓,當工作電壓大于制動電壓時,繼電器動作,當制動電壓大于工作電壓時繼電器制動,當工作電壓等于制動電壓時稱為邊界條件。

由圖1圖2可見動作邊界為通過原點垂直于IZ(IoZ)的一條直線,在邊界上滿足
對于LG-11丨丨IZ+K1U丨>丨IZ-K1U丨丨 (6)
對于LG-12 丨丨IOZ+KOU0丨>丨IOZ-KOU0丨丨 (7)
繼電器的電流回路由電抗變壓器DKB在初級繞組上流過電流,在二個次級繞組上得到的電壓分別加到工作回路與制動回路上。在另一個次級繞組上并聯有電阻,改變電阻的數值可以改變轉移阻抗角a,對于LG-11型經切換片HP并聯R3或R4可以改變繼電器的靈敏度為一 30°或一45°,對于LG-12型通過并聯R3使靈敏角達到+70°。
LG-11型的電壓回路采用諧振回路,其主要作用有二:其一是經i皆振回路在電感上取得電壓使電壓移相90°,其二是當在保護安裝處正方向三相故障時 , 依靠諧振回路記憶作用 , 保證繼電器可靠動作從而消除了電壓死區 。 由于DKB的轉移角調整在60°或45°,而電壓回路轉移觸度為90°,因而得到繼電器的靈敏角為一30°或一45°。

電壓回路的諧振調諧可以用改變繞組的匝數來達到,YB諧振繞組有6、7、8三個抽頭可供進擇,還可以加減9、10小繞組來達到譜振。
LG-11型比較回路采用環流法比較電路,工作電壓和制動電壓分別整流后經C2、 C3濾波并經R5、 R6、 R7、 R8比較后推動極化繼
電器JJ動作,而LG-12型采用均壓法比較電路,工作電壓和制動電壓分別整流后在R4、 R5及R6、 R7上得到電壓經C1、 C2濾波后比較電壓大小推動極化繼電器動作 。
繼電器的潛動調整通過調整R1及R2來進行,用R2來調節電流平衡,用R1來調節電壓平衡,經反復調整可以達到電流電壓均無潛動。
極化繼電器的觸點接有0.22ч電容及510Ω電阻的消弧回路, 以増加觸點的斷弧能力 。
LG-11功率方向繼電器技術數據
額定數據:
額定電流:5A或1A。
額定電壓:100V。
額定頻率:50Hz。
繼電器的靈敏角:LG-11型, -30°或一45°, LG-12型+70°;靈敏角的誤差±5°。
在靈敏角小通入額定電流時繼電器的動作電壓不大于2V。
返回系數:繼電器的返回電壓和動作電壓之比不小于0.45。
動作時間:對于LG-11型,在靈敏角下,電壓由額定突然降4倍最小動作電壓,電流同時由0升至額定電流時,動作時間不大于30mS;對于LG-12型,在靈敏角下,同時突然加入額定電流和4倍最小動作電壓時,動作時間不大于40ms。
記憶時間,對于LG-11型,當模擬保護出口處短路在靈敏角下,突然增加額定電流至10信額定電流,電壓自100V同時突然降到0的情況下,繼電器應可靠動作,其極化繼電器動作保持時間不小于50ms。
功率消耗:電流回路不大于6VA,電壓回路不大于20VA。
繼電器可以長期耐受1.1倍的額定電壓及額定電流。
當電壓不大于220V電流不大于lA時,觸點能斷開直流有感負荷(時間常數不大于5x10-3s)20W。
繼電器電路與外売間的絕緣電阻在溫度+ 40°C及相對濕度為8 5%時不小于10M0。
繼電器的絕線強度應耐受交流50Hz電壓2kV歷時1Min的耐壓試驗而無擊穿或閃絡現象。
LG-11功率方向繼電器使用和維護
繼電器在使用前應首先檢査運輸中是否發生損壞,先進行機械檢査各螺釘是否緊固,各輝點是否率固可靠,然后檢査極化繼電器,將極化繼電器(2)-(3)短接, (1)和(4)加電流, (4)為正極性,要求動作電流不大于lmA,返回系數不小于0.5 ,角空點間隙不小于0.2mm。如發現不符合要求時,可以調整左止擋螺釘,以改變動作電流値,調整右止擋螺釘,以改變返回電流値。如調整止擋螺tJ達不到要求時,允許移動瓷座位置來調整,直到滿足要求為止。
調好極化繼電器后將極化繼電器插上,進行電氣性能檢査,先進行潛動檢査,電壓回路經200短路,電流回路通入額定電流,測量極化繼電器線圈上,即(9)(10)端子上的電壓調整R1使電壓為零,然后在電壓回路加電壓100V,電流回路開路測量極化繼電器線圈電壓,調整R2使為零,反復調整電壓電流潛動,使級化繼電器線圈電壓為零,然后在上述條件下突然加入及切除10信額定電流或100V電壓,繼電器角1l1點不應有鳥啄現象,如發現在切除大電流或100V電壓時觸點有鳥啄現象,可更換比較回路電阻或電容使制動回路電容放電時間常數不小于工作回路電容放電時間常數。更換后應重新進行潛動調整,潛動調整完畢后,將電位器制動螺母鎖緊,然后再檢査繼電器的靈敏角和靈敏度及返回系數,應滿足技術要求。對于LG-11型發現靈敏角超差,應檢査電壓諧振回路是否失調,加電壓100V時應滿足UC-UL=10-15V可通過改變電感抽頭及增減一小繞組來達到,同時進行記憶特性試驗,當模擬出口處短路,電壓自100V突然降到零,電流不大于0.2信額定電流的情況下繼電器應可靠動作,然后再作瞬變檢査,在最大靈敏角反向處突然加10信額定電流同時100V電壓突然降到零時繼電器應無鳥啄現象。
礦山冶金
化工、化肥、水泥、紡織
能源、環保
機械電子
火電、水電
造紙、制糖、制藥
市政基礎建設
原料、鋼鐵
上一篇:JJJ-4B直流絕緣監視繼電器
下一篇:ZJJ-1A直流絕緣監視繼電器

